Inchoate, true to its namesake, was never a completed project (contrast to my later, more refined Elysium SSTC). Instead, it was a continually evolving mechanism – an experimental platform for my early foray into the realm of high-voltage and Tesla Coils.
It was my first solid-state Tesla Coil.
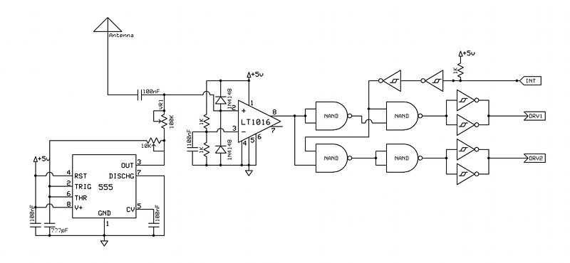
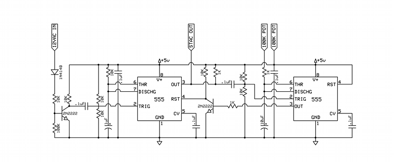
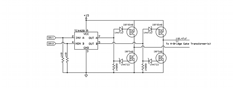
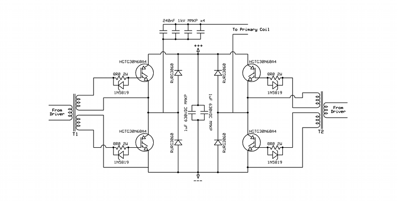
What is documented here is merely the final, most impressive configuration of Inchoate. It took a while to get there, with virtually every component having been supplanted by another over the course of the project. It started out as a modest fixed-frequency coil (like Richie Burnett’s SSTC), and wound up as a large (by conventional SSTC standards) feedback-driven coil (inspired, like so many others, by the work of folks like Jan Wagner and Justin Hays).
These days, if you’re looking to build your own SSTC, Steve Ward’s site is almost certainly the place to go.
Videos











